Explosionssäker utomhuskamerahus
Kamerahus
Explosionssäker
Utomhus
Ring 042 14 10 85 för pris
Quantity
På vägen in
Referens KAM-HUS-SHF720
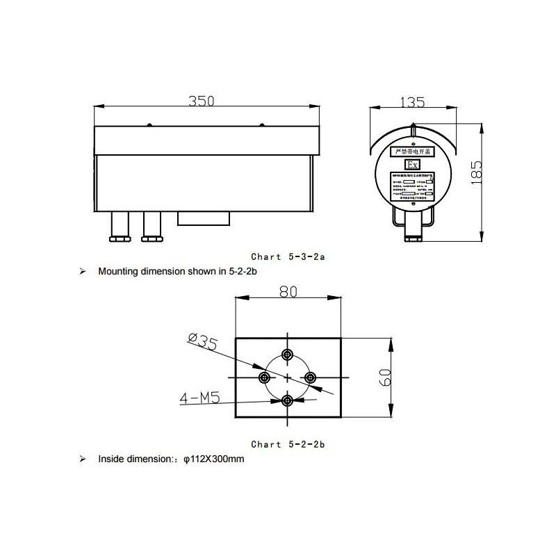
Specifications
| Driftstemperatur | -25°~60 ℃ |
|---|---|
| IP-Tæthed | Explosion-proof IP68 |
| Luftfugtighed | ≤95% (+25℃) |
| Strømforsyning | 12V DC/24V DC/220V AC |
| Dimensioner | Udvendig 405×150×215 mm (LxBxH) indvendig ф125×330 mm |
Explosionssäkert utomhuskamerahus för videoövervakning. Ett solskydd skyddar även KAM-HUS-SHF720 mot överhettning och solreflektioner. Huset öppnas framifrån och bakifrån. Gummipackningar gör huset tätt mot regn och annat väder. Huset levereras med 12V DC/24V DC/220V AC.
